Goouu Accessories
柴油机调速控制器-FSK639D-Controlador de velocidad del motor
柴油机调速控制器-FSK639D-Controlador de velocidad del motor
无法加载取货服务可用情况
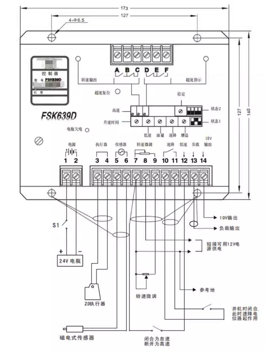
FSK639D发动机调速控制器具有调速精确快速稳态调速率可调、高低速设定范围宽、启动油量限制、升速时间可调、电源低电压告警指示、超速保护、启动成功转速信号输出、自动并机接口等功能。它与YSD调速执行器、传感器等一起组成发动机调速系统,适合于控制各型柴油、燃气发动机。
El controlador de velocidad del motor FSK639D tiene regulación de velocidad precisa, ajuste rápido de velocidad de estado estable, amplio rango de configuración de velocidad alta y baja, límite de aceite de arranque, tiempo de aceleración ajustable, indicación de alarma de bajo voltaje de la fuente de alimentación, protección contra exceso de velocidad y señal de velocidad de arranque exitoso. , interfaz paralela automática y otras funciones. Forma un sistema de control de velocidad del motor junto con el actuador de control de velocidad YSD, sensores, etc., y es adecuado para controlar varios tipos de motores diésel y de gasolina.
Share
